- KIT - zestaw do zlutowania. Zbiór podzespołów elektronicznych wraz z płytką drukowaną i (jeśli projekt zawiera) zaprogramowanym mikrokontrolerem.
AVT5805 - zegar uClock z wyświetlaczem OLED i układem RTC MCP79410
Do pobrania:
Poziom trudności montażu
3 / 5
AVT5805 - zegar RTC to praktyczny, edukacyjny zestaw DIY dla hobbystów i początkujących konstruktorów. Projekt łączy funkcje zegara z sekundnikiem, kalendarza z dniem tygodnia, stopera oraz budzika z planem tygodniowym, zachowując minimalną liczbę elementów i prostą obsługę.
Najważniejsze cechy zestawu
- Dokładny zegar czasu rzeczywistego (RTC) na układzie MCP79410 (kalendarz do roku 2399).
- Wyświetlacz OLED 128×32 piksele - wysoki kontrast, szerokie kąty widzenia, niska energochłonność.
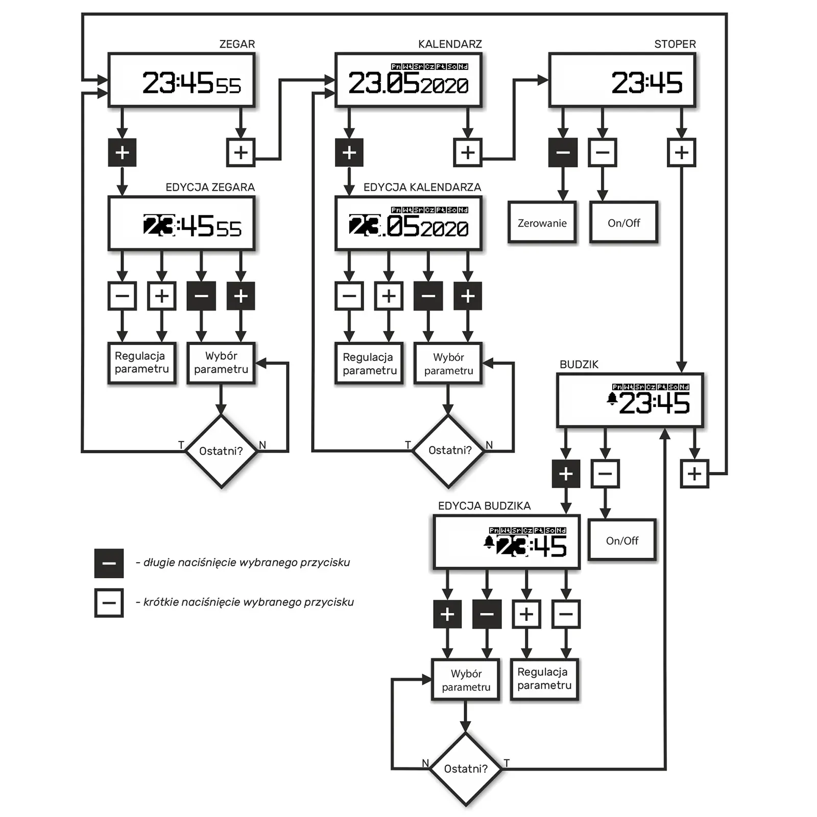
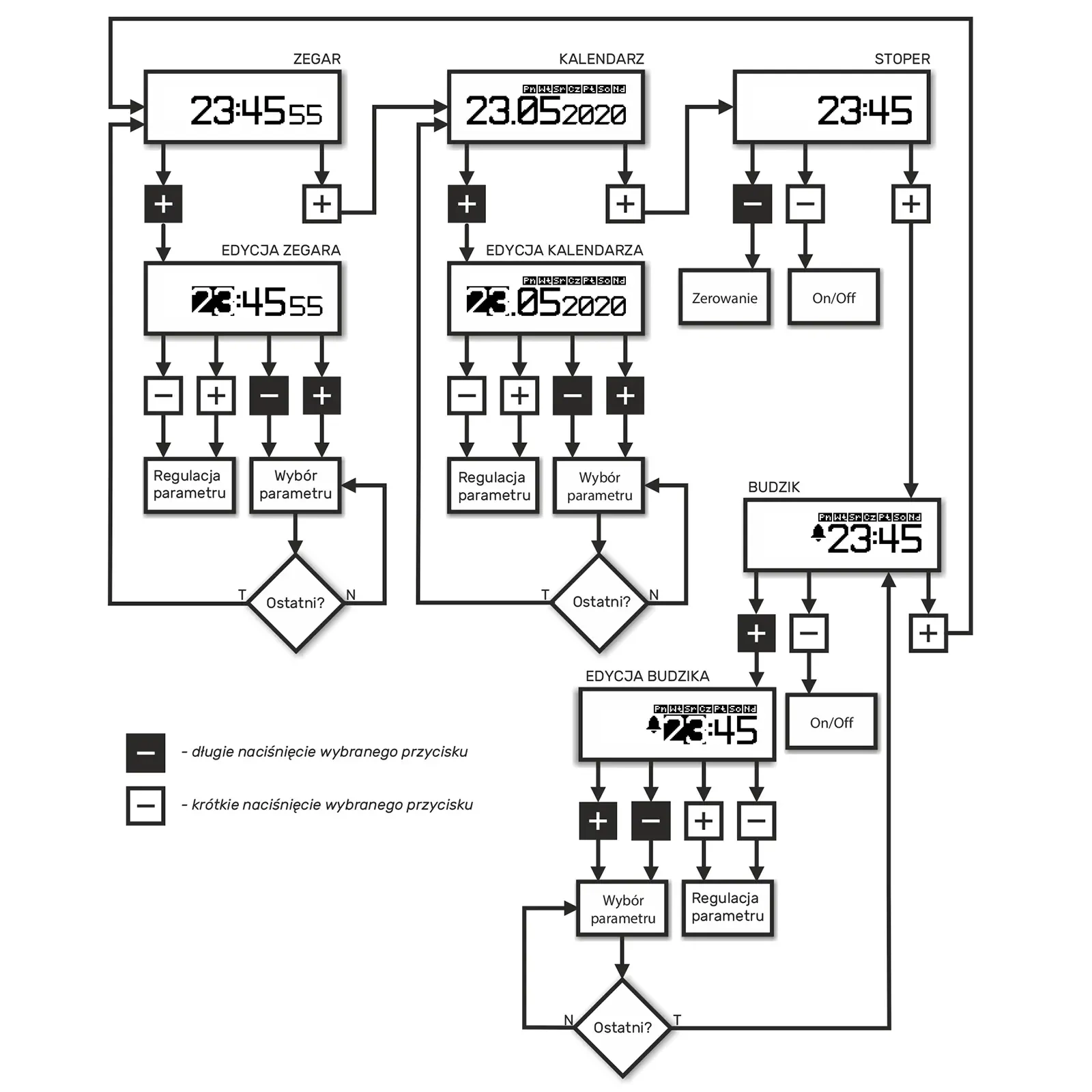
- Cztery tryby pracy: zegar, kalendarz, stoper, budzik tygodniowy.
- Intuicyjna obsługa dwoma przyciskami (krótkie/długie naciśnięcia).
- Niskie zużycie energii: zasilanie 3…5 V DC / ok. 10 mA.
- Kompaktowe wymiary płytki PCB: 57 × 28 mm - łatwy montaż w obudowie uniwersalnej.
Projekt AVT 5805 EP 09/20
Opis działania i obsługa
Urządzenie udostępnia cztery w pełni konfigurowalne funkcjonalności: zegar z sekundnikiem, kalendarz z dniem tygodnia, stoper oraz budzik z planem tygodniowym. Cała obsługa odbywa się za pomocą dwóch klawiszy funkcyjnych (PLUS i MINUS), rozróżniających krótkie i długie wciśnięcia. W zależności od aktualnego trybu przyciski przyjmują inne role: ustawianie czasu i daty, uruchamianie/zatrzymywanie stopera, programowanie alarmów czy nawigacja po menu.
Takie podejście upraszcza konstrukcję i jednocześnie zapewnia szybkie, intuicyjne sterowanie. Dzięki MCP79410 zegar zachowuje stabilność wskazań i nie wymaga częstej korekty.
Obsługa zegara za pomocą dwóch przycisków
Co to jest RTC?
RTC (Real Time Clock) to układ scalony, który precyzyjnie podtrzymuje czas i datę niezależnie od pracy mikrokontrolera. W AVT5805 zastosowano MCP79410 firmy Microchip - posiada on licznik sekund, minut i godzin, kalendarz aż do roku 2399, obsługę alarmów oraz wejście na baterię podtrzymującą, dzięki czemu po zaniku zasilania głównego zegar nie "gubi" ustawień.
Jak działa RTC krok po kroku?
- RTC utrzymuje stabilny takt (oscylator zegarkowy) i zlicza sekundy → minuty → godziny, równolegle prowadząc kalendarz (dzień/miesiąc/rok, dzień tygodnia).
- Ustawiony czas i data są zapisywane w rejestrach, które można odczytywać/zapisywać z poziomu mikrokontrolera.
- Funkcja alarmu pozwala wyzwolić zdarzenie o określonej porze (np. budzik tygodniowy).
- Po zaniku zasilania głównego układ automatycznie przełącza się na zasilanie bateryjne i dalej odmierza czas.
A czym jest wyświetlacz OLED?
OLED (Organic Light Emitting Diode) to wyświetlacz, w którym każdy piksel świeci samodzielnie. Dzięki temu obraz ma bardzo wysoki kontrast, jest czytelny w ciemności i zużywa mało energii. W AVT5805 zastosowano panel 128×32 px - idealny do prezentacji godziny, daty i ikon trybów (zegar, kalendarz, stoper, budzik).
Mini-FAQ
Czy zegar podtrzymuje czas po odłączeniu zasilania? Tak. AVT5805 zawiera baterię podtrzymującą zegar RTC.
Czy potrzebuję programować mikrokontroler, aby zegar działał? Nie. AVT5805 posiada już zaprogramowany mikrokontroler i działa po zmontowaniu, bez dodatkowych kroków konfiguracyjnych.
Czy mogę użyć innego wyświetlacza? Tak, o ile jest zgodny z interfejsem wykorzystywanym w zestawie i ma odpowiednią rozdzielczość 128×32 px lub kompatybilny układ wyprowadzeń.
Elektronika

















