- KIT - zestaw do zlutowania. Zbiór podzespołów elektronicznych wraz z płytką drukowaną i (jeśli projekt zawiera) zaprogramowanym mikrokontrolerem.
Do pobrania:
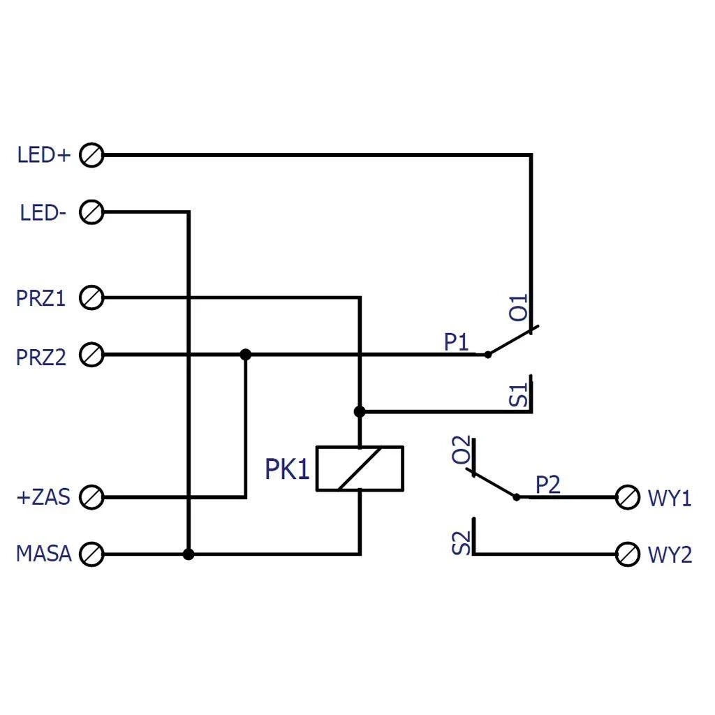
Prosty system zabezpieczający przed kradzieżą samochodu
Zdecydowana większość aut, nawet tych współcześnie produkowanych, wyposażonych w systemy bezkluczykowego dostępu, staje się niezwykle łatwym łupem dla dobrze wyposażonych przestępców. Otwarcie auta i uruchomienie silnika dla wyspecjalizowanych złodziei nie stanowi w tej chwili żadnego problemu, oczywiście jeśli auto nie jest zabezpieczone czymś więcej. Samochód można chronić przynajmniej na dwa odmienne sposoby: albo stosując bardzo rozbudowany system elektroniczny, albo proste, ale za to jak najbardziej nietypowe urządzenie.
Proponowane rozwiązanie ze względu na swą prostotę może nie wygląda zbyt poważnie, szczególnie w czasach rozbudowanych systemów zabezpieczeń, ale jak pokazuje praktyka, proste pomysły potrafią być zaskakująco skuteczne.
Wymiary płytki 58x43mm
Projekt AVT 3187 EdW 12/17
Elektronika













