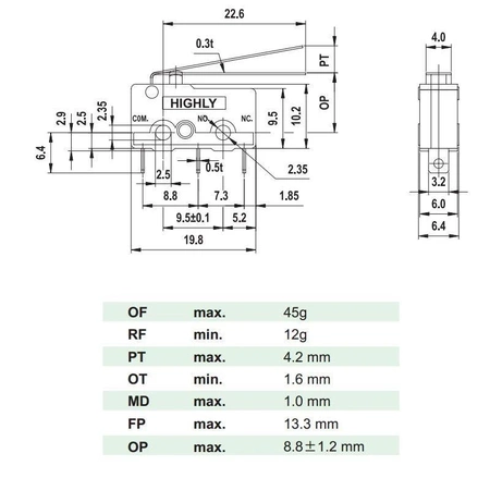
Mikroprzełącznik SS0503A - wyłącznik krańcowy - krańcówka
- SPDT (1 para styków przełącznych)
- sposób przełączania ON-(ON)
- obciążalność styków 5A/250V
- dźwignia 50mm
**(ON) - monostabilny z samoczynnym powrotem
Do pobrania
Zapytaj o produkt
Opinie o Przełącznik krańcowy ON-(ON) dźwignia 50mm, SS0503A
5.00
Liczba wystawionych opinii: 1
51
40
30
20
10
Kliknij ocenę aby filtrować opinie
Napisz swoją opinię
Elektronika





