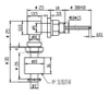
Czujniki pływakowe poziomu cieczy stosuje się tam, gdzie potrzebna jest stała kontrola i regulacja poziomu płynu (wody, oleju i innych płynów).
W czujniku zamontowany jest pływak wraz z magnesem , który działając siłą wyporu płynu przesuwa się po rurce powodując zwieranie lub rozwieranie kontaktronu.
- max napięcie: 50V
- max prąd: 0.5A
- długość przewodu: 40cm
- styk: NC
Montuje się je przeważnie w dnie lub pokrywie zbiornika, więc mogą kontrolować górny i dolny poziom płynu.
Zapytaj o produkt
Napisz swoją opinię
Dodaj opinię
Napisz swoją opinię
Elektronika





