Miernik analogowy - amperomierz panelowy wraz z wbudowanym wewnętrznym specjalnym opornikiem (bocznik) pozwalającym na pomiar dużych wartości prądu. Wyraźne oznaczenia oraz przezroczysty panel przedni gwarantują dokładne i szybkie odczytanie pomiaru. Miernik został wmontowany w niewielkich wymiarów kwadratową obudowę wraz ze śrubami.
- Zakres pracy: 0-30A
- Rodzaj prądu: DC
- Dokładność: CLASS 2,5
- Regulacja zera
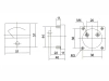
- Wymiary: 51x51mm
Zapytaj o produkt
Napisz swoją opinię
Dodaj opinię
Napisz swoją opinię
Elektronika





